|
arduino IDEArduino
|
|
|
FTDI CHIP PROGRAMMER |
|
|
ESP-PROGEspressif
|
WalkeremoteBoard Rev3
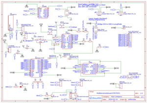
The WalkeremoteBoard Rev 3 is a compact and efficient control board built around the ESP8266 Wi-Fi microcontroller.
It is designed for remote automation, telepresence, and IoT applications, providing reliable wireless communication and flexible I/O control in a small footprint.
Key Features:
ESP8266 MCU with integrated Wi-Fi (2.4 GHz)
GPIO pins for sensors, relays, and motor control
I²C and UART interfaces for expansion modules and communication
Relay and PWM outputs for actuators, motors, or lighting
Onboard voltage regulator for 5V–12V input sources
Compact design optimized for low power consumption and easy integration
Typical Applications:
Telepresence and mobile robots
Smart home or remote automation systems
IoT data acquisition and control nodes
Educational and DIY electronics projects
The Rev 3 version features improved signal stability, enhanced power management,
and better compatibility with Walkeremote firmware and MQTT-based control platforms.
This project is constantly evolving, with continuous updates and new features
being added to expand its capabilities and performance.
more information for google App and Source Code on :
https://www.walkeremote.com
WalkeremoteBoard Rev3
*PCBWay community is a sharing platform. We are not responsible for any design issues and parameter issues (board thickness, surface finish, etc.) you choose.
Raspberry Pi 5 7 Inch Touch Screen IPS 1024x600 HD LCD HDMI-compatible Display for RPI 4B 3B+ OPI 5 AIDA64 PC Secondary Screen(Without Speaker)
BUY NOW- Comments(0)
- Likes(0)
- 0 USER VOTES
- YOUR VOTE 0.00 0.00
- 1
- 2
- 3
- 4
- 5
- 6
- 7
- 8
- 9
- 10
- 1
- 2
- 3
- 4
- 5
- 6
- 7
- 8
- 9
- 10
- 1
- 2
- 3
- 4
- 5
- 6
- 7
- 8
- 9
- 10
- 1
- 2
- 3
- 4
- 5
- 6
- 7
- 8
- 9
- 10
More by Michele Tavolacci
-
WalkeremoteBoard
The WalkeremoteBoard is an IoT development board designed to enable remote monitoring and control of...
-
WalkeremoteBoard Rev3
The WalkeremoteBoard Rev 3 is a compact and efficient control board built around the ESP8266 Wi-Fi m...
-
actionoiseNoise-Bridge
With this Small Board connected to the mobile or notebook will be possible to take control from remo...
-
Playpad for Actionoiseboard
This board is like a joypad but is not the same because instead of to send i/o signal to a consolle ...
-
ACTIONOISEBOARD for telepresence with a simple videocall,NO CLOUD REQUIRED....!!!
First of all, I would like to thank you in advance for reading , because it means that this project ...
-
remote module for actionoiseboard
with this board will be possible to take control from remote of 4 relays or more for control light f...
-
-
ARPS-2 – Arduino-Compatible Robot Project Shield for Arduino UNO
797 0 2 -
A Compact Charging Breakout Board For Waveshare ESP32-C3
1353 3 6 -
AI-driven LoRa & LLM-enabled Kiosk & Food Delivery System
1249 2 0 -
-
-
-
ESP32-C3 BLE Keyboard - Battery Powered with USB-C Charging
1482 0 1 -
-
mammoth-3D SLM Voron Toolhead – Manual Drill & Tap Edition
1152 0 1 -







