RasPiZero2W mounting board for PicoCalc
This board was created for the "Raspberry Pi Zero 2 On PicoCalc" post on the PicoCalc forum.
https://forum.clockworkpi.com/t/raspberry-pi-zero-2-on-picocalc/17946
It's a great idea to replace PicoCalc's RaspPico with a RasPiZero2W.
The idea was conceived by @wasdwasd0105, and details can be found at https://github.com/wasdwasd0105/picocalc-pi-zero-2.
Thank you, @wasdwasd0105, for this great project.
_____
In addition to the board, you will need the following items:
A pair of 11mm 1x20 stacking male-female headers
https://shop.pimoroni.com/products/pico-stacking-headers
Or equivalent product.
GPIO Header for Raspberry Pi
https://www.adafruit.com/product/2222
Or equivalent product.
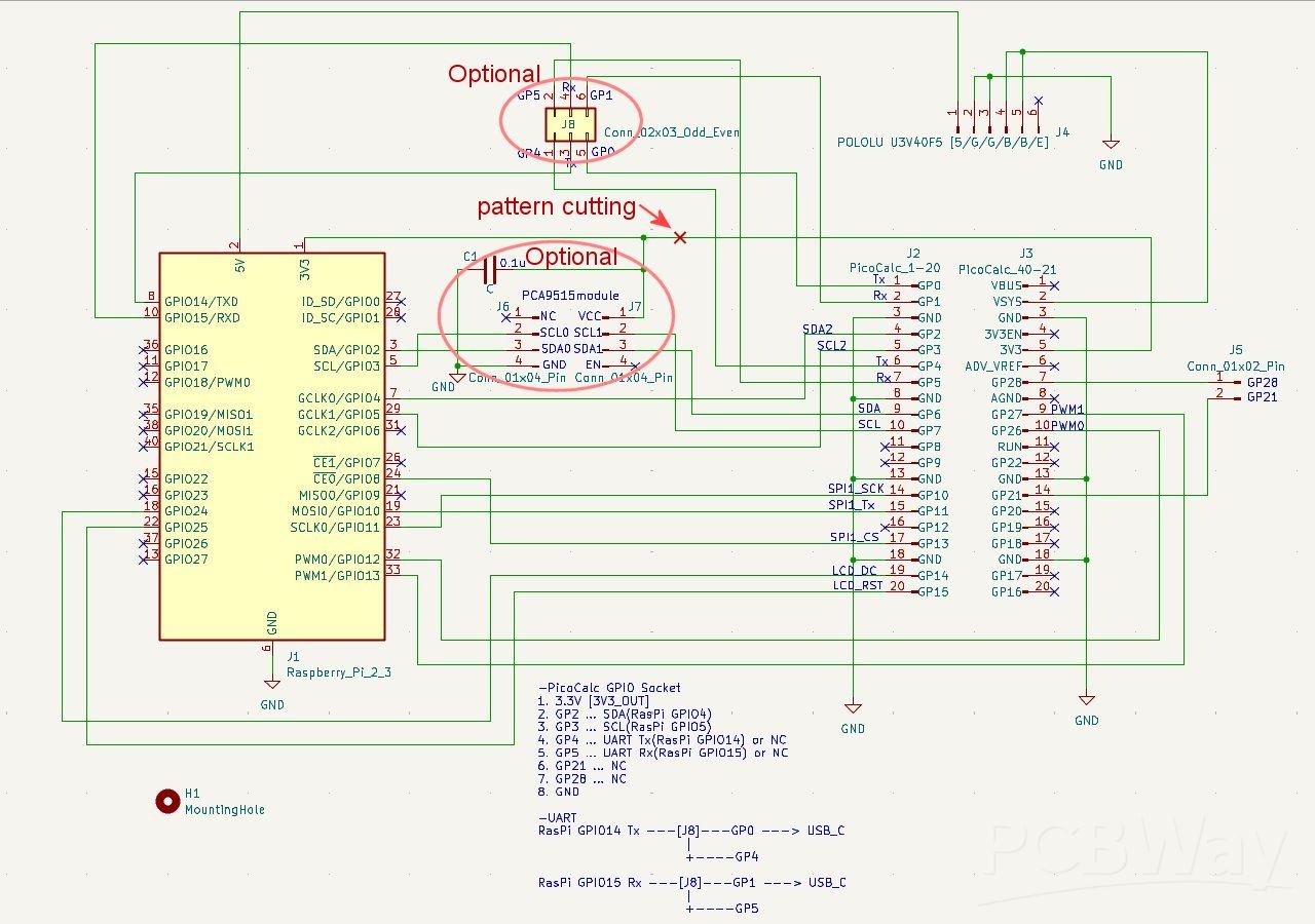
Two wires and one cut of the pattern are required.
These are shown in the photo.






For the PicoCalc pack panel, you will need the following:
https://www.thingiverse.com/thing:6998636
BTM4006.stl ...Bottom part
https://www.thingiverse.com/thing:7064379
(wip) Low height parts
RPZ_SL_05.stl
( RPZ_SL_05.stp [STEP file] )
For more detailed information, please see GitHub and the forum.
https://github.com/wasdwasd0105/picocalc-pi-zero-2
https://forum.clockworkpi.com/t/raspberry-pi-zero-2-on-picocalc/17946
[Note] This board was created for testing purposes.
I cannot be held responsible for any damage or malfunction that may occur to your PicoClac or other equipment as a result of using this board.
Also, please be careful when handling as some of the parts have sharp edges.
RasPiZero2W mounting board for PicoCalc
*PCBWay community is a sharing platform. We are not responsible for any design issues and parameter issues (board thickness, surface finish, etc.) you choose.
Raspberry Pi 5 7 Inch Touch Screen IPS 1024x600 HD LCD HDMI-compatible Display for RPI 4B 3B+ OPI 5 AIDA64 PC Secondary Screen(Without Speaker)
BUY NOW- Comments(1)
- Likes(2)
-
Engineer
Mar 06,2026
-
Michael Mayer
Dec 11,2025
- 0 USER VOTES
- YOUR VOTE 0.00 0.00
- 1
- 2
- 3
- 4
- 5
- 6
- 7
- 8
- 9
- 10
- 1
- 2
- 3
- 4
- 5
- 6
- 7
- 8
- 9
- 10
- 1
- 2
- 3
- 4
- 5
- 6
- 7
- 8
- 9
- 10
- 1
- 2
- 3
- 4
- 5
- 6
- 7
- 8
- 9
- 10
More by Nao
-
-
ARPS-2 – Arduino-Compatible Robot Project Shield for Arduino UNO
878 0 2 -
-
A Compact Charging Breakout Board For Waveshare ESP32-C3
1441 3 6 -
AI-driven LoRa & LLM-enabled Kiosk & Food Delivery System
1393 2 0 -
-
-
-
ESP32-C3 BLE Keyboard - Battery Powered with USB-C Charging
1580 0 1 -
-
mammoth-3D SLM Voron Toolhead – Manual Drill & Tap Edition
1205 0 1







