Ампер Вольтметр на Atmega8
Ампер Вольтметр на Atmega8
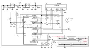
Это мультиметр предназначен для измерения напряжения и тока в блоках питания. Шунт от 0,05 Ома до 2 Ом должен быть включен последовательно с нагрузкой. Может питаться от измеряемого напряжения основного блока питания в пределах 12-30 Вольт.
Одна из дополнительных функций мультиметра является то, что он может контролировать (включение и выключение) вентилятора для охлаждения основного радиатора. Мощностной порог, при котором включается вентилятор можно настроить с помощью кнопки.
Технические характеристики
- Собран на микроконтроллере ATmega8 фирмы ATMEL , он используется для обработки всех функций мультиметра;
- Измеряемое напряжение: 0-30V;
- Дискретность измеряемого напряжения: 10mВ;
- Измеряемый ток: 0-99А;
- Дискретность измеряемого тока: 10mA (в зависимости от текущего значения резистора*);
- Одностороняя печатная плата;
- Совместимость со стандартными ЖК на основе контроллера HD44780. Можно подключить дисплеи с количеством знакомест: 8х2 , 16х1, 16х2.
* Внутренняя дискретность тока вычисляеися по формуле:
дискретность [мА] = 1 / (R [ом] * 3,2)
Если внутренняя дискретность хуже, чем 10mA, мультиметр отображает текущую внутреннюю дискретность, если он лучше - с одной 10mA. Кроме того падение напряжения на шунте резистора не должно превышать 2.4V, так R [Ом] должно быть меньше, чем 2.4/Imax [A]
Программирование
Микроконтроллер Atmega8 программируется одной из нескольких прошивок исходя из-за параметров: тип дисплея, возможность индикации сопротивления нагрузки и емкости заряжаемого аккумулятора. Контроллер программируется для работы от внутреннего генератора частотой 1MHz, также рекомендуется выставить пороговое отключение микроконтроллера на 4 Вольта.
Настройка
При нормальной работе нажатие на кнопку SB1 не дает никакой реакции. Чтобы войти в режим программирования на выключенном приборе нажмите и удерживайте кнопку S1, подайте питание и через 2 с. отпустите кнопку, на дисплее высветиться www.elfly.pl - Вы вошли в режим программирования.
1. Первый параметр это опорное напряжение, оно является основным фактором влияющим на погрешность измерения поэтому Vref варьируется в довольно широком диапазоне. По умолчанию Vref=2,56V, вы можете измерить опорное напряжение между землей и 21 выводом контроллера(Aref) и потом записать этот параметр в настройки. После не нажимайте кнопку в течение 5-8 с. при этом будет выведен следующий параметр.
2. Введите сопротивление шунта если оно известно.
3. Порог автоматического включения вентилятора охлаждения если он подключен.
This multimeter is designed to measure voltage and current in power supplies. A shunt from 0.05 ohms to 2 ohms must be connected in series with the load. It can be powered from the measured voltage of the main power supply in the range of 12-30 Volts.
One of the additional functions of the multimeter is that it can control (turn on and off) the fan to cool the main heatsink. The power threshold at which the fan is switched on can be adjusted using the button.
Specifications
- Assembled on the ATmega8 microcontroller from ATMEL, it is used to process all the functions of the multimeter;
- Measured voltage: 0-30V;
- Resolution of the measured voltage: 10mV;
- Measured current: 0-99A;
- Resolution of the measured current: 10mA (depending on the current value of the resistor *);
- One-sided printed circuit board;
- Compatible with standard LCD based HD44780 controller. You can connect displays with the number of familiarity spaces: 8x2, 16x1, 16x2.
* Internal discreteness of current is calculated by the formula:
discreteness [mA] = 1 / (R [ohm] * 3.2)
If the internal resolution is worse than 10mA, the multimeter displays the current internal resolution, if it is better, with one 10mA. In addition, the voltage drop across the shunt of the resistor should not exceed 2.4V, so R [Ohm] should be less than 2.4 / Imax [A]
Programming
The Atmega8 microcontroller is programmed with one of several firmwares based on the parameters: display type, the ability to indicate the load resistance and the capacity of the battery being charged. The controller is programmed to operate from an internal generator with a frequency of 1MHz, it is also recommended to set the microcontroller cut-off threshold to 4 Volts.
Customization
During normal operation, pressing the SB1 button has no reaction. To enter the programming mode with the device turned off, press and hold the S1 button, turn on the power supply and after 2 s. release the button, the display will show www.elfly.pl - you have entered the programming mode.
1. The first parameter is the reference voltage, it is the main factor affecting the measurement error, therefore Vref varies over a fairly wide range. By default Vref = 2.56V, you can measure the reference voltage between ground and pin 21 of the controller (Aref) and then write this parameter to the settings. Then do not press the button for 5-8 seconds. this will display the next parameter.
2. Enter the shunt resistance if known.
3. Threshold for automatic activation of the cooling fan if it is connected.
Ампер Вольтметр на Atmega8
*PCBWay community is a sharing platform. We are not responsible for any design issues and parameter issues (board thickness, surface finish, etc.) you choose.
Raspberry Pi 5 7 Inch Touch Screen IPS 1024x600 HD LCD HDMI-compatible Display for RPI 4B 3B+ OPI 5 AIDA64 PC Secondary Screen(Without Speaker)
BUY NOW- Comments(9)
- Likes(6)
-
Denis Sviridov
Feb 18,2024
-
staxneti
Apr 01,2023
-
inbox.ru
Jan 17,2020
-
Q Q
Dec 04,2019
-
Ovsyannykov Sergey
Nov 29,2019
-
Yuray Yura
Nov 27,2019
- 3 USER VOTES
- YOUR VOTE 0.00 0.00
- 1
- 2
- 3
- 4
- 5
- 6
- 7
- 8
- 9
- 10
- 1
- 2
- 3
- 4
- 5
- 6
- 7
- 8
- 9
- 10
- 1
- 2
- 3
- 4
- 5
- 6
- 7
- 8
- 9
- 10
- 1
- 2
- 3
- 4
- 5
- 6
- 7
- 8
- 9
- 10
-
10design
-
10usability
-
10creativity
-
10content
-
9design
-
10usability
-
10creativity
-
10content
-
10design
-
10usability
-
10creativity
-
10content
More by Yuray Yura
-
Десульфатор автомобильных аккумуляторов на Ардуино Нано
Десульфаторы автомобильных аккумуляторовГлавнаяАвтоДесульфаторы автомобильных аккумуляторовЛюбой авт...
-
the Dragon
Merry christmas and a happy new year ,postcard Eastern astrology personifies ...
-
Merry christmas and a happy new year ,postcard
Данное устройство яс девятью режимами работы. Основой служит микроконтроллер ATtiny13 фирмы Atmel. П...
-
Вольт-Амперметр на INA233
Вольт-Амперметр на INA233 и Arduino как монитор для лабораторного БПСхема представляет собой цифрово...
-
естер поиска Короткого Замыкания на STM32G030F6P6
Тестер поиска Короткого Замыкания на STM32G030F6P6схема и прошивака https://gitlab.com/jdobry/shorty...
-
Simple sample
Простой пробникГлавнаяДля электриковПростой пробникПредлагаемый прибор, состоящий из светодиодной шк...
-
ультразвуковой измеритель расстояния на LCD1602
Simple Ultrasonic Distance MetersWe offer diagrams of simple meters for measuring distances from 40c...
-
ультразвуковые измеритель расстояния с 7-ми сегментным индикатором
Простые ультразвуковые измерители расстоянияГлавнаяИзмерителиПростые ультразвуковые измерители расст...
-
Десульфатор автомобильных аккумуляторов на LM555
Car battery desulfator on LM555Любой автолюбитель сталкивался с явлением, когда аккумулятор пролежав...
-
сенсор GP2Y0A02YK. 2 Простые парковочные радары
Простые парковочные радарыГлавнаяАвтоПростые парковочные радарыНиже на рис.1 приведена схема простог...
-
Простые радары 1
Простые парковочные радарыГлавнаяАвтоПростые парковочные радарыНиже на рис.1 приведена схема простог...
-
Система защиты от утечки воды
Система защиты от утечки водыГлавнаяПоделки для домаСистема защиты от утечки водыОсобенности системы...
-
Дистанционное управление нагрузками 2 Плата модуля
Дистанционное управление нагрузками по электросетиГлавнаяПоделки для домаДистанционное управление на...
-
Дистанционное управление нагрузками по электросети Панель управления
Дистанционное управление нагрузками по электросетиГлавнаяПоделки для домаДистанционное управление на...
-
Тестер коллекторных моторов постоянного тока
Тестер коллекторных моторов постоянного токаГлавнаяЭлектроприводТестер коллекторных моторов постоянн...
-
Пробники электрика с индикацией на 3-х цветных светодиодах
Пробники электрика с индикацией на 3-х цветных светодиодахГлавнаяДля электриковПробники электрика с ...
-
Пробники электрика с индикацией на светодиодной ленте из 8-ми светодиодов WS2812
Пробники позволяют определять переменное напряжение от 24 до 400Vac, сопротивление от 0 до 1000 Ом и...
-
USB тестер с памятью
USB тестер с памятьюГлавнаяПриборыUSB тестер с памятьюОсобенностью данного устройства является возмо...
-
ARPS-2 – Arduino-Compatible Robot Project Shield for Arduino UNO
537 0 0 -
A Compact Charging Breakout Board For Waveshare ESP32-C3
990 3 6 -
AI-driven LoRa & LLM-enabled Kiosk & Food Delivery System
872 2 0 -
-
-
-
ESP32-C3 BLE Keyboard - Battery Powered with USB-C Charging
1144 0 1 -
-
mammoth-3D SLM Voron Toolhead – Manual Drill & Tap Edition
975 0 1 -
-
AEL-2011 Power Supply Module
1738 0 2







