Petr Kmet HW art, s.r.o.
CZECH REPUBLIC, THE • + Follow
Edit Project
Description
Amplifier TDA75610SEP
Simple four channel amplifier TDA75610SEP
Description: 4 x 25 W/4Ω, at 14.4V
Class SB,
Each output is diagnosed using I2C,
Immediate against incorrect wiring,
Works with low voltage (minimum 6V).
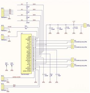
This amplifier module is based on the latest and most compact ST TDA75610SEP integrated circuit. A complete 4-channel amplifier with all protections is implemented in one housing. All supplemented with several passive components.
The +12V power supply is connected to K20.
The input signal is fed to connector K21.
The output signal for the speakers is taken from connectors K1, K2, K3 and K4.
Connectors K10, K11, K12, K13 are intended for control (connection to the MCU).
Dec 29,2025
15 views
Amplifier TDA75610SEP
This board is very simple four channel amplifier TDA75610SEP
15
0
1
Published: Dec 29,2025
Standard PCB
BOM(Bill of materials)
Centroid file
Other files for Assembly
Purchase
Donation Received ($)
PCBWay Donate 10% cost To Author
File Last Updated: 2025/12/29 (GMT+8)
File update record
2025-12-2920:08:52
Other files for Assembly are updated.
Copy this HTML into your page to embed a link to order this shared project
Copy
Under the
Attribution-ShareAlike (CC BY-SA)
License.
Raspberry Pi 5 7 Inch Touch Screen IPS 1024x600 HD LCD HDMI-compatible Display for RPI 4B 3B+ OPI 5 AIDA64 PC Secondary Screen(Without Speaker)
BUY NOW
Topic
- Comments(1)
- Likes(0)
Upload photo
You can only upload 5 files in total. Each file cannot exceed 2MB. Supports JPG, JPEG, GIF, PNG, BMP
0 / 10000
It looks like you have not written anything. Please add a comment and try again.
You can upload up to 5 images!
Image size should not exceed 2MB!
File format not supported!
View More
View More
VOTING
0 votes
- 0 USER VOTES
0.00
- YOUR VOTE 0.00 0.00
- 1
- 2
- 3
- 4
- 5
- 6
- 7
- 8
- 9
- 10
Design
1/4
- 1
- 2
- 3
- 4
- 5
- 6
- 7
- 8
- 9
- 10
Usability
2/4
- 1
- 2
- 3
- 4
- 5
- 6
- 7
- 8
- 9
- 10
Creativity
3/4
- 1
- 2
- 3
- 4
- 5
- 6
- 7
- 8
- 9
- 10
Content
4/4
More by Petr Kmet HW art, s.r.o.
You may also like
-
ESP32-C3 BLE Keyboard - Battery Powered with USB-C Charging
72 0 0 -
Tiny Power meter V2 – Community Innovation Share
40 0 0 -
-
mammoth-3D SLM Voron Toolhead – Manual Drill & Tap Edition
337 0 0 -
-
AEL-2011 Power Supply Module
910 0 2 -
AEL-2011 50W Power Amplifier
749 0 2 -
-
-
Custom Mechanical Keyboard
938 0 1 -
Tester for Touch Screen Digitizer without using microcontroller
529 2 2 -
Audio reactive glow LED wristband/bracelet with NFC / RFID-Tags
492 0 1







