MedBox - a Smart Medicine Reminder and Management Device
Introduction:
My name is Gunik Bathla, and I am a second year Computer Science student at Vellore Institute of Technology, Vellore, India. I am building an engineering course project in my university, titled “MedBox”, a smart medicine reminder and management system designed to address real-world medication adherence problems.
The Problem:
One of the major challenges in healthcare today - especially among elderly patients, chronically ill individuals, and people with busy daily routines - is forgetting or mismanaging medications. Missed doses, incorrect timing, or confusion between medicines can significantly reduce treatment effectiveness and may even lead to serious health risks. Existing solutions such as phone alarms are often unreliable, easy to ignore, or lack physical confirmation that the correct medicine was taken.
Even my own mother has chronic medications for managing blood pressure and blood clots as she suffered from Transient Global Amnesia (TGA) 2 years back. Skipping doses can become highly risky for her. This problem gave me the idea to build such a project which I wholeheartedly dedicate to my mother and I plan to give this device to her to use once it is completed...
The Solution - "MedBox"
MedBox aims to solve these issues by providing a dedicated, physical medicine reminder system. The device uses multiple compartments (powered by a SG90 servo motor each) for different medicines, real-time scheduling, visible and audible alerts, and user interaction through buttons such as dismiss, snooze, and refill. Medicine schedules are configured through a web interface and sent directly to the device, ensuring accurate timing and reducing human error. By combining both digital control and physical compartment-based reminders, MedBox helps users take the right medicine at the right time.
Detailed working and Future of the Project:
This project is for my fourth semester course BECE204L - Microprocessors and Microcontrollers, demonstrating the practical use of ESP32 microcontroller. The project is intended to be simple, affordable, and practical, making it suitable for everyday use by the general public, not just hospitals or advanced medical setups. With increasing medication dependency in modern lifestyles, a device like MedBox can significantly improve adherence, reduce caregiver burden, and enhance patient safety.
I might even participate in my university competitions or exhibitions where I’ll demonstrate this project when it is completed. If it moves ahead in those competitions, I might also file a patent and work on its future and more advanced versions.
The working of this project starts by connecting your phone/laptop to the MedBox Wi-Fi which automatically opens up the "MedBox Setup" Web-portal. You can see various options in the portal such as "Sync Time" button which on clicking, fetches your phone's current date and time and sends it to MedBox. Below you can see options for selecting up to 4 time slots in a day for each compartment containing respective medicines. On clicking Save, the alarms are set successfully and sent to MedBox. Thereafter, MedBox works completely offline and rings an alarm (buzzer) and blinks a green LED of the respective box whose medicine has to be taken. While the alarm is ringing, you have two options. Option 1: Press the snooze button to snooze the alarm by "xyz" duration (that you set in web portal) and the buzzer will stop, but the green LED will continue to blink till the medicine is finally taken. The alarm will again ring after the snooze period is over. Option 2: While the alarm is ringing or green LED is blinking, you can press the dismiss button anytime to open the particular boxes (white led will glow up to show medicines in the dark) and the dosage will be marked as taken. When you press the dismiss button again (while the boxes are open), it will close the boxes and then the alarm will ring at the next upcoming time slot.
The third button (refill button) opens up all four boxes so that you can check or refill the medicines.
The future versions of this project can include a small OLED display on each box's lid to show information such as "Medicine name", "Next upcoming alarm", "Current time", "Remaining medicine quantity", etc.
Components Used:
Here are all the components used in building this project:
- 1x ESP32 DEVKITV1
- 2x DS3231 RTC Module (with battery)
- 4x SG90 servo motors
- 1x 5v Active Buzzer
- 1x 2200uF Capacitor
- 2x 0.1uF Capacitors
- 3x Momentary Push Buttons (dismiss, snooze and refill buttons)
- 9x 220 ohm Resistors (for LEDs)
- 3x 10k ohm Resistors (for buttons pull down)
- 4x green LEDs
- 4x white LEDs
- 1x red LEDs (power-on LED)
- 5v 3A DC Power Adaptor (USB)
- 4x plastic boxes with lid
- Jumper wires and breadboard
- Building material (fiber board or MDF)
Current Progress:
At the current stage of development, I have:
- A complete schematic
- A fully designed PCB layout (Gerber fille)
- Complete source code uploaded on the ESP32 microcontroller
- A working prototype implemented on a breadboard, with all intended features functioning correctly
- A fully functional setup web portal where you can set the alarms and sent it to MedBox
I am still left to build the final structure of the device, which will include four plastic boxes with lids (controlled by a servo motor each) and install all the electronics including the PCB. Then the project will be 100% completed.

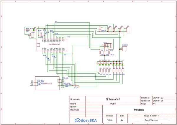
Schematic Diagram

Working Breadboard Connections

Medicine Compartments (Box A, Box B, Box C, Box D)

Setup Web-portal Screenshots
Kind Request to PCBWay:
I am now at the final stage, where professionally manufactured PCBs are required to complete the project and submit a polished, reliable hardware implementation.
I would be highly grateful if PCBWay could sponsor the PCB fabrication for this project (free or discounted PCBs). In return, I would be happy to:
- Acknowledge PCBWay in my project documentation and academic presentation
- Share high-quality project photos, PCB renders, and final results
- Allow PCBWay to feature the project on your website or social media platforms
- Promote and refer PCBWay within my college community by mentioning your support during my project presentation and sharing details about PCBWay with fellow students and faculty interested in PCB design and fabrication.
As I have a tight and hectic schedule, limited resources and an upcoming project deadline, PCBWay's professionally fabricated PCBs would greatly help me complete the project efficiently and at a higher quality that lasts forever.
I truly admire PCBWay’s support for students and innovators, and I believe MedBox would be a meaningful project to showcase as a practical student-led solution to a real societal problem. I would be grateful for any support or guidance you can provide.
Thank you very much for your time and consideration.
Best Regards,
Gunik Bathla (Reg no. 24BDS0148)
B.Tech Computer Science and Engineering (Data Science)
Vellore Institute of Technology, Vellore,
Tamil Nadu, India- 632014
Email: bathlagunik04@gmail.com
Apply for sponsorship >>- Comments(0)
- Likes(2)