Low-Cost Modular Camera Array
Hi,
I'm Janno - a Media and Computer Science Bachelor student located in Germany who happens to be interested in cameras.
When I learned of plenoptic cameras and their uses I was fascinated but also saddened by the cost and the lack of options for a "normal" person like me. At least I didn't have a microlens array just lying around.
Looking further into it I came across the possibility of using camera arrays to produce similar results and even enabling some more other exotic uses like emulating bigger sensors. Which leads me to:
My Thesis
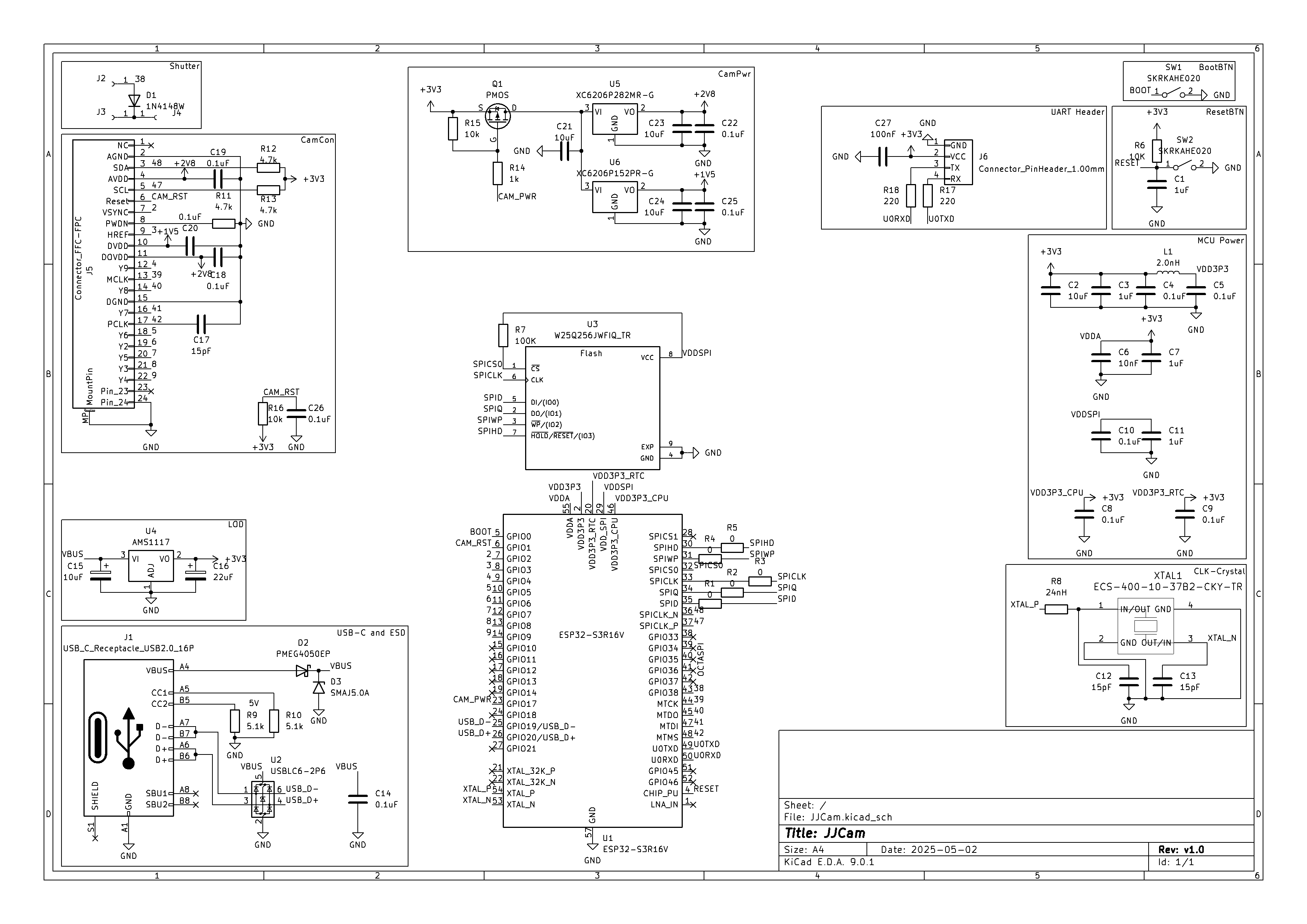
I decided to try and construct a (fairly) low cost and also modular array, based on small camera sensors similar to the ones found in phones.
I could use off-the-shelf products like ESP32-Cam for that BUT
- Where would be the fun in that?
- They often require more hardware (e.g., SD cards)
- They are fairly wide (28mm) compared to the actual camera models
- They are often based on less powerful ESP hardware
- If you go to something like Raspberry Pi it just gets inefficient to have a complete PC strapped to a sensor.
Which leads me to my board:
Utilizing an ESP32-S3 SoC (ESP32-S3R16V to be exact) and 32MB of onboard flash should be enough to capture and temporarily store at least one RAW image off of an OV5640 camera.
Utilizing the built-in USB-Controller should enable getting the pictures off of the ESP via USB, which also powers the individual modules that are now only ~18mm wide.
Using GPIO the actual shutter can be synchronized.
Why modular
Going modular enables different ways of setting up an array:
Bundle the modules closer together to emulate larger sensor at a nearer distance, get close up plenoptic-like pictures of smaller objects. 3D point clouds? Certainly a possibility.
Want bullet time images? Align them in a circle, sphere or whatever. Need a different lens? Just hook up a different model of OV5640 module with a different lens.
The plan
The plan is to build ~16 modules (maybe more) in order to assess the quality and viability of images produced from an array of this type.
Further research and development (also post thesis) could further increase the capability of such an array.
A sponsorship by PCBWay in the form of PCB production and assembly would boost said development into an (in my opinion) underserved area of camera technology. I am excited about the opportunity and possibility to work together with PCBWay on this passion project turned thesis.

- Comments(0)
- Likes(0)