Integrated Vehicle Electronics for FSAE: ECU, PDU & TSAL
Our Team RoadRunner Electric focuses on enhancing the safety and reliability of our Formula Student EV by implementing a custom electronic architecture. This system is comprised of three critical subsystems:
1. Power Distribution Unit (PDU): It is responsible for centralized and efficient power delivery to all electrical and electronic circuits present in the vehicle. It distributes regulated power to critical subsystems, including the Motor Controller, Battery Management System (BMS), Electronic Control Unit (ECU), brake light, safety circuits, indicator circuits, and auxiliary loads.
2. Electronic Control Unit (ECU): It acts as the central intelligence of the vehicle, responsible for torque request processing(APPS), RTD(Ready To Drive), and real-time control of vehicle subsystems. It executes safety-critical logic, handles CAN-based communication with the Motor Controller and Battery Management System (BMS), ensures reliable operation of sensors and actuators and show critical data on the TFT driver screen.
3. TSAL LED driver circuit: The circuit consists of independent red and green LED driver stages, controlled by the TSAL Red and TSAL Green control signals, to indicate whether the HV system is active or safely de-energized.
Why did we decide to make it?
Our LowVoltage system is designed around the core Formula SAE requirements of Safety, Reliability, and Performance Optimization.
Safety is ensured through a robust PDU architecture, safety-critical ECU logic, and a compliant TSAL system for clear HV status indication.
Reliability is achieved by adhering strictly to FSAE electrical standards and designing all circuits for stable and dependable operation.
Performance Optimization is addressed by minimizing electrical losses in the PDU and implementing efficient control strategies in the ECU to maximize energy utilization.
How Does It Work?
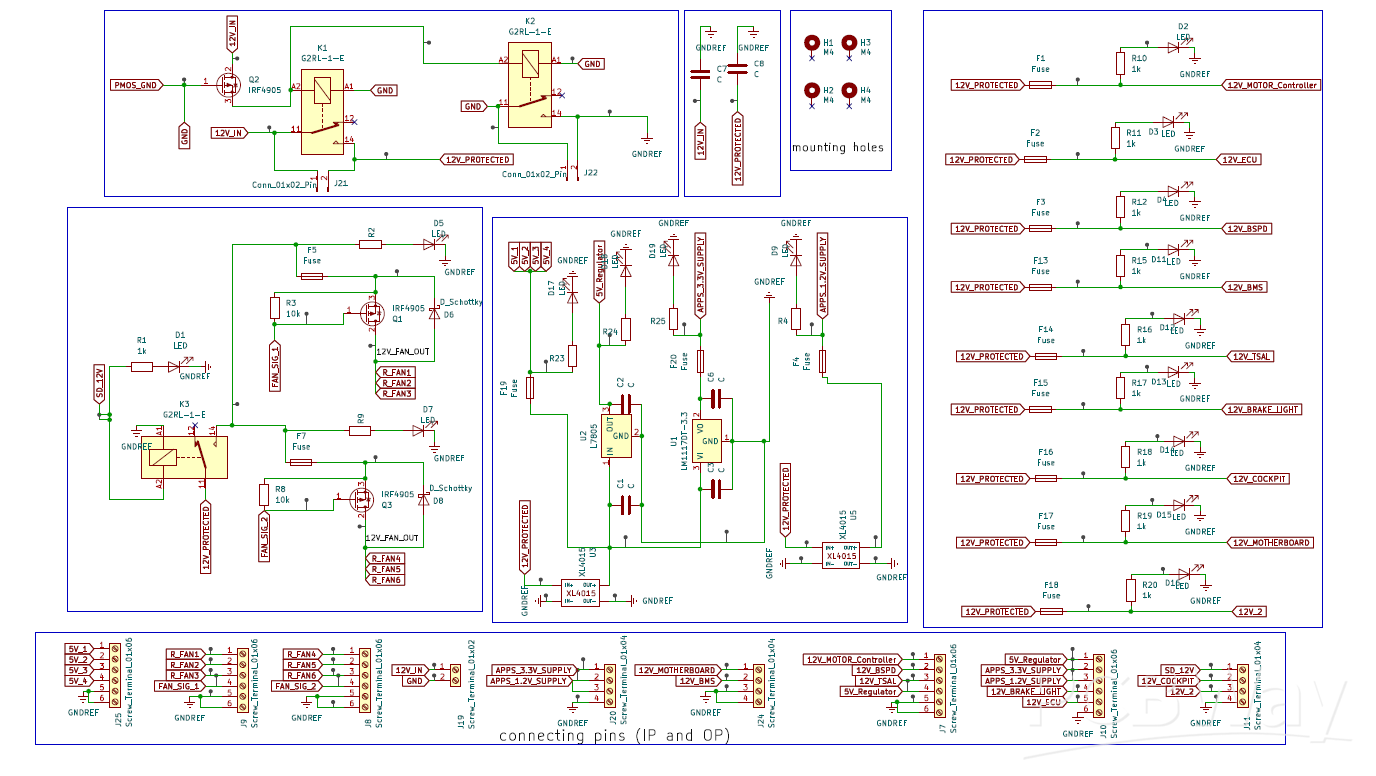
1. Power Distribution Circuit: The custom-designed Power Distribution Unit (PDU) manages the low-voltage power harness of the electric vehicle, ensuring safe and efficient distribution of power across critical circuits:
a) Overcurrent Protection: Each circuit is protected with dedicated fuses to prevent overload and short circuits.
Status Indication: LED indicators monitor each power line, providing visual confirmation of active circuits and enabling quick fault detection.
b) Reverse Polarity Protection: Equipped with P-channel MOSFETs to prevent damage from reverse polarity connections, adding an extra layer of safety.
c) Optimized Wiring: Uses Polycab wires sized at 0.75 mm² and 0.5 mm² for different circuits, based on specific power demands, ensuring efficient and reliable power flow.
This PDU design is essential for delivering stable, controlled power distribution throughout the vehicle’s low-voltage systems, enhancing both performance and safety in competitive racing.
Schematic:

Pcb:

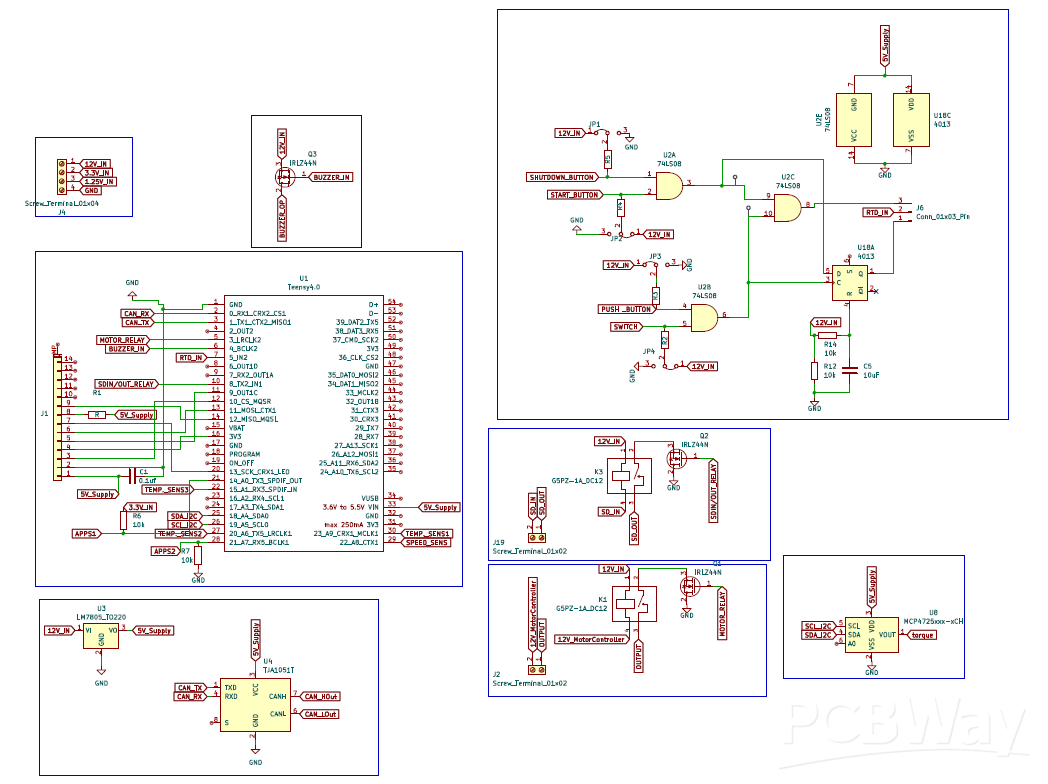
2. Electronic Control Unit (ECU): Acts as the central brain of the vehicle, processing sensor data and executing control and safety logic.
a) Built around Teensy 4.0 microcontroller as the main ECU processor.
b) Communicates with BMS and Motor Controller via CAN bus using a TJA1051T CAN transceiver.
c) Interfaces with a TFT display to show critical vehicle parameters such as SOC, SOH, temperature, and current to the driver in real time.
d) Implements APPS and RTD safety logic, allowing vehicle operation only under safe conditions and continuously monitors system status and prevents operation during fault or unsafe conditions.
e) Uses an MCP4725 DAC to generate 0–5 V analog output, overcoming the Teensy’s native 0–3.3 V DAC limitation.
Schematic:

Pcb:

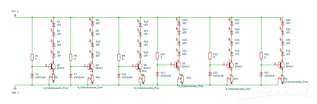
3. TSAL LED driver circuit: A critical safety system that provides a clear visual indication of the vehicle’s operational status, indicates whether the High-Voltage system is active, safe to run, or in a fault condition.
a) Uses transistor-based driver stages to control LED current flow reliably.
b) Consists of independent Red and Green LED driver circuits, controlled by TSAL Red and TSAL Green signals.
Ensures clear and unambiguous safety communication to the driver and track officials in compliance with FSAE EV safety regulations.
Schematic:

Pcb:

- Comments(0)
- Likes(2)