Highlander Space Program
Founded in 2023, Highlander Space Program (HSP) is UC Riverside’s first liquid rocketry team. We are a fully student-run organization composed of Mechanical, Electrical, Computer, Chemical Engineering majors, as well as students from Physics and Computer Science. Our mission is to build a foundation for aerospace on campus and provide hands-on experience that mirrors the practices of industry.
Our first project was Poseidon, a liquid bi-propellant rocket powered by ethanol and nitrous. Poseidon marked a historic milestone as the first liquid rocket ever launched by HSP, representing the culmination of three years of dedication since the club’s founding. Designed around a nitrous oxide/ethanol engine, Poseidon reached an apogee of 7,340 feet and earned 1st place in Category A, as well as the Most Efficient Liquid Engine award at the 2024–25 FAR-OUT Competition. This success was made possible by the foundation laid by past members and alumni who believed in the vision of student-led rocketry.
Beginning in Fall 2025, HSP is advancing to our next major project: Clementine, a liquid rocket incorporating Thrust Vector Control (TVC), Regenerative Cooling, and Liquid Oxygen (LOX) as an oxidizer. The addition of these systems will build off the foundation set by Poseidon and further challenge the team, aiming to familiarize our members with industry standard practices. The first academic year focuses on designing, manufacturing, and rigorously testing the engine. The second year will integrate avionics, propulsion, and structures into Clementine’s final flight configuration, completing the project within a planned two years.
To support Clementine, we are developing a new suite of hardware: the Pad Controller, Sensor Board, Solenoid Board, and Sparkplug Board. Each board handles a dedicated function, simplifying the control architecture as well as improving system reliability.

Pad Controller:
The Pad Controller serves as the central command unit of our system. It is a 4-layer PCB powered by an STM32F405RGT6 and equipped with a CAN transceiver for communication across with the other boards. An XBee radio provides wireless command capability from the ground station. The board takes in 24 V, steps it down to 5 V, and distributes regulated power to the rest of the system, eliminating the need for separate batteries on each board. It also includes onboard flash memory as well as a USB interface for data logging and firmware updates.

Solenoid Board:
The Solenoid Board is a 2-layer PCB controlling eight 24 V solenoids for our plumbing system. It is built around an STM32F405RGT6 and receives actuation commands via CAN from the Pad Controller. Each channel uses a MOSFET driver, ensuring reliability and fast responses during testing.

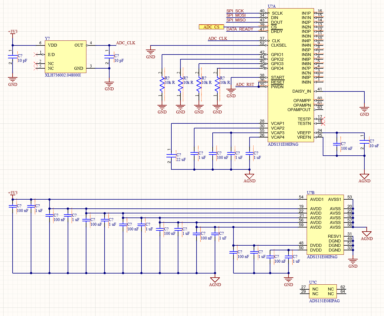
Sensor Board:
The Sensor Board is a 4-layer data acquisition module designed to handle high-resolution, high-rate measurements. It reads from 36 sensors at 24-bit resolution and 32 kHz, enabling precise measurements of pressure, temperature, weight, and thrust during testing.

Why PCBWay?
For a project as complex as liquid rocketry, reliability in our electronics is non-negotiable. Additionally, cost efficiency plays a major role in our development cycle. Both of these characteristics are done by PCBWay. By choosing PCBWay, we gain the reliability and flexibility needed to rapidly prototype and refine our rocket’s avionics systems. Their partnership helps us continue advancing student aerospace research at UC Riverside.
As we move into Project Clementine, the tools and support provided by PCBWay will help our team make history as one of the only American collegiate-level teams to design, build, fire, and launch a liquid oxygen, regeneratively cooled engine with thrust vector control.
- Comments(0)
- Likes(2)